

| エレメント | 反射板からの距離 | 直径 | エレメントの長さ | ねじ穴の間隔 | 反射板からのねじの距離 |
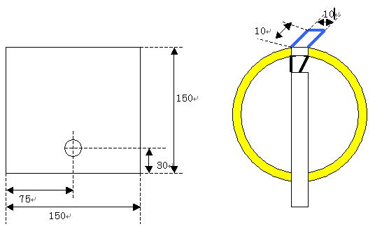
| 1 | 0 | 150x150 | 反射板 | ||
| 2 | 78 | 79 | 250 | 78 | 80 |
| 3 | 102 | 75 | 235 | 24 | 104 |
| 4 | 130 | 67 | 210 | 28 | 132 |
| 5 | 151 | 67 | 210 | 21 | 153 |
| 6 | 196 | 67 | 210 | 45 | 198 |
| 7 | 241 | 67 | 210 | 45 | 243 |
| 8 | 286 | 67 | 210 | 45 | 288 |
| 9 | 331 | 67 | 210 | 45 | 333 |
| 10 | 421 | 67 | 210 | 90 | 423 |
| 11 | 511 | 67 | 210 | 90 | 513 |
| 12 | 601 | 67 | 210 | 90 | 603 |
| 13 | 691 | 67 | 210 | 90 | 693 |
| 14 | 781 | 67 | 210 | 90 | 783 |
| 15 | 871 | 67 | 210 | 90 | 873 |
| 16 | 961 | 67 | 210 | 90 | 963 |
| 17 | 1051 | 67 | 210 | 90 | 1053 |
| 18 | 1141 | 67 | 210 | 90 | 1143 |
| 19 | 1231 | 67 | 210 | 90 | 1233 |
| 20 | 1321 | 67 | 210 | 90 | 1323 |


反射板
ラジエータ
反射板及びラジエータ部分の加工
取り付け穴の位置
完成

20エレメント以降は、90ミリの間隔で、直径67ミリのループを取り付ける
ラジエータ部分